Инсталляции GROHE
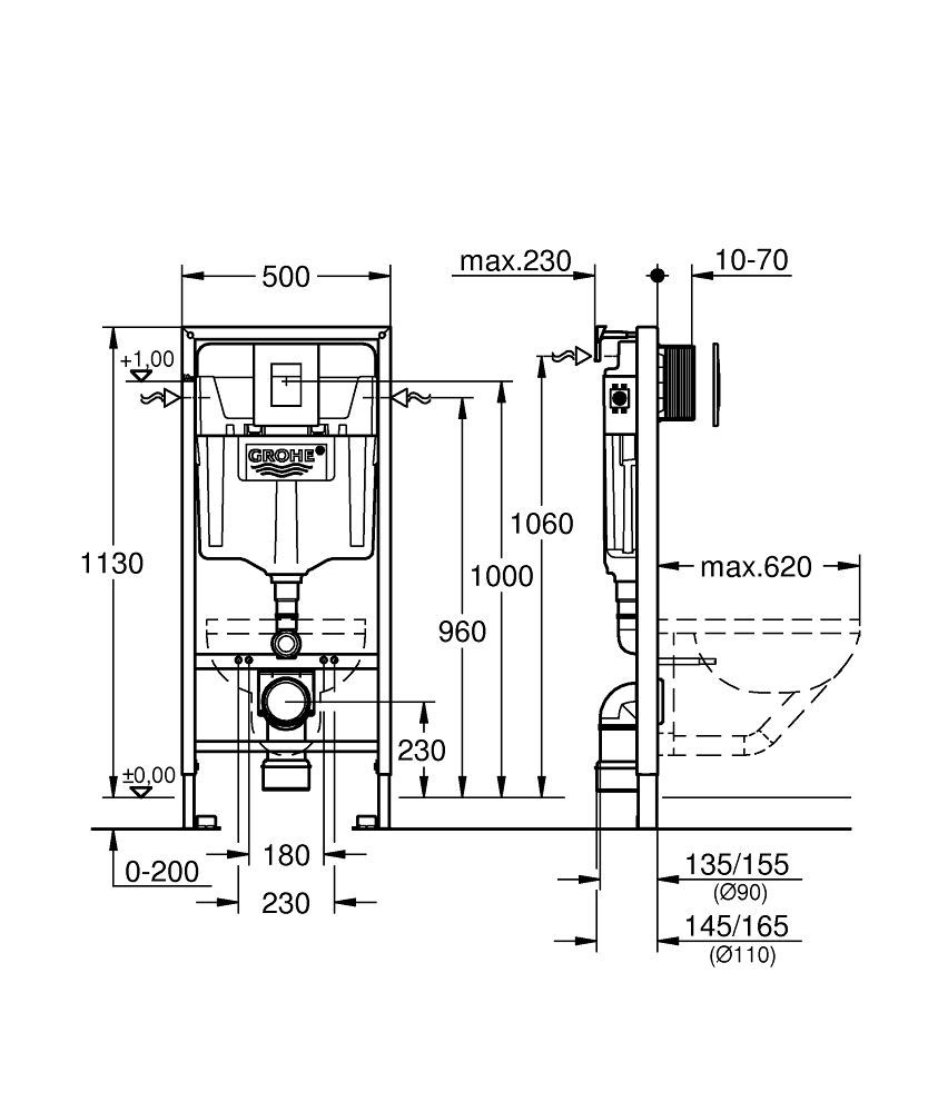
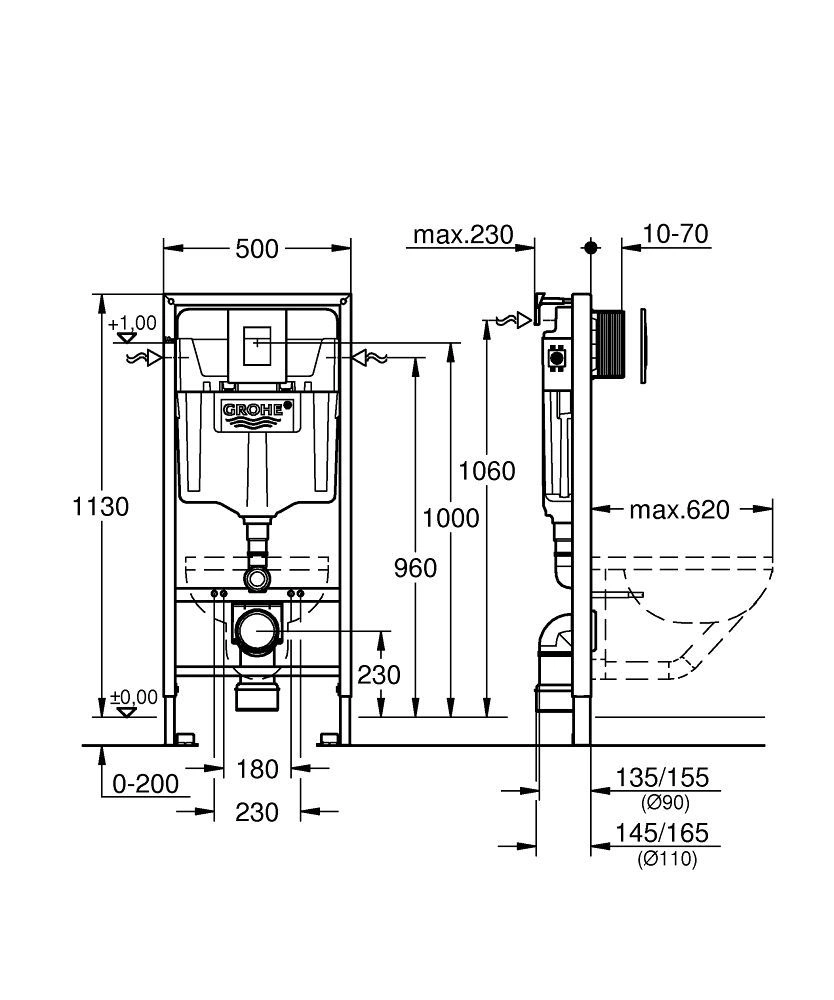
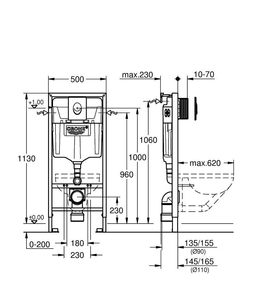
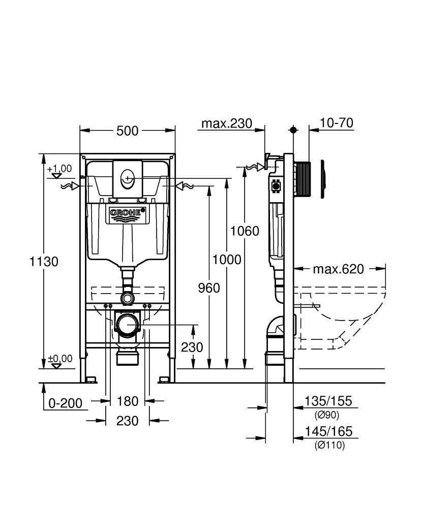
9Инсталляция для унитазов Grohe
Все большую популярность вместо привычного крепления унитаза приобретает подвесной монтаж, или так называемая инсталляция, когда трубы либо гофрированные шланги скрыты. Подобную технологию использует производитель инсталляции Грое – компания, которая существенно расширяет границы дизайнерской фантазии.Какие существуют разновидности инсталляции Grohe?
Grohe предлагает широкий спектр инсталляционных систем, которые можно разделить на две основные группы:Инсталляция Grohe Solido – имеющая несущую раму из стальных сплавов с антикоррозионным покрытием. Этот застенный модуль позволяет регулировать высоту установки унитаза и смывного бачка с шагом в 200 мм. Возможно фронтальное подключение;
Инсталляция Grohe Rapid SL − в виде опорной конструкции для подключения любой сантехники. В комплект такой инсталляционной системы «Grohe» входят готовые модули для выбора высоты подключения.
Дизайнерские решения инсталляции для подвесных унитазов Grohe
- Grohe Solido Perfect – подвесной унитаз строгого стиля минималистической формы и размеров. В комплект входит сиденье из дюрапласта с функцией амортизационного опускания. На панели смыва – клавиша двойного смыва пневматического действия Start-Stop.
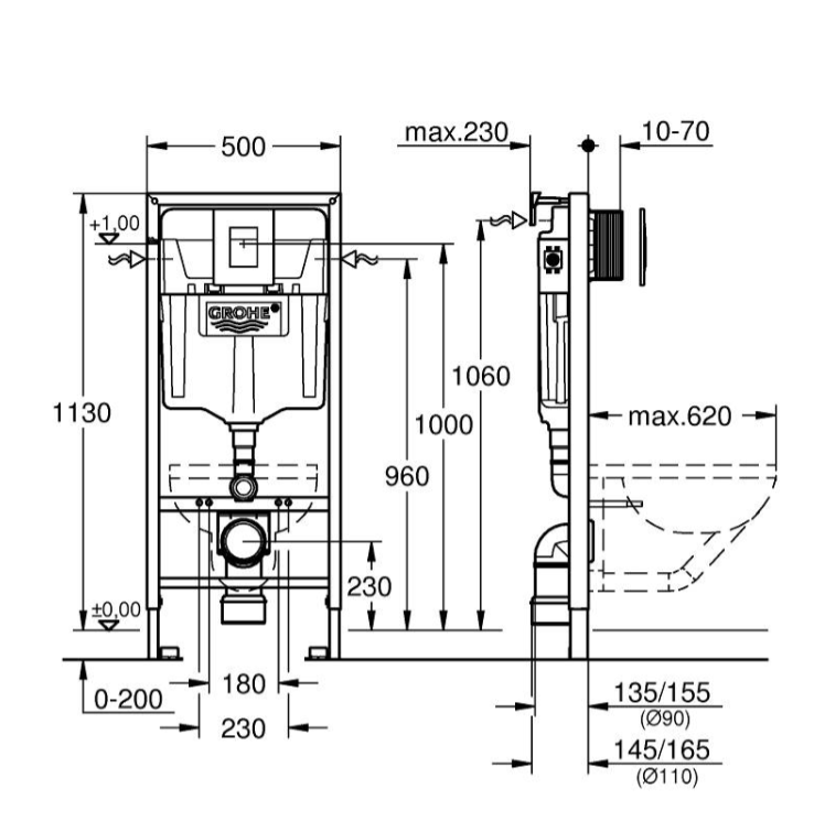
- Grohe Solido Lecico (4 в 1) – система, выдерживающая нагрузку до 400 кг. Унитаз размером 52 см монтируется на высоте 113 см. Предусмотрен выбор бачка от 2,6 до 9 л.
- Grohe Solido (5 в 1) – в этот комплект инсталляции «Grohe» включен унитаз Euro Ceramic с сиденьем с микролифтом. Система горизонтального монтажа.
- Grohe Rapid SL комплект (4 в 1) – с отделанной хромом панелью смыва Skate Air с тремя режимами. Система позволяет снизить расход воды, отличается шумоизоляцией по технологии Whisper.
- Grohe Rapid SL Solido (4 в 1) – включает в себя все инновационные разработки в области экономичной и комфортной эксплуатации. За счет системы монтажа Grohe QuickFix отличается простой и быстрой установкой.
Как правильно установить инсталляцию Грое
1. Подготовка.Состоит из демонтажа прежней системы, обустройства ограждающих конструкций и коммуникаций согласно рекомендациям производителя.
2. Монтаж рамы.
Необходимо начинать с подробного ознакомления с инструкцией по установке конкретной модели подвесного оборудования «Grohe».
1) Сборка несущей рамы с установкой нижних лапок и фиксацией их болтами.
2) Подбор колена (90 или 120 градусов) выпускного патрубка для подключения к канализации.
3) Примерка инсталляции для определения высоты установки.
4) Монтаж верхних крепежей. Несущая рама регулируется по отметке в 1 метр, после чего закрепляется один из упоров. Второй монтируется по уровню.
5) Установка ножек системы с креплением к раме посредством болтов.
6) Крепление нижних упоров к полу.
*Для монтажа используются полимерные дюбели. В обязательном порядке выставляется вертикальный уровень несущей конструкции.
3. Сборка инсталляции.
1) Установка крепления для канализационного патрубка.
2) Монтаж канализационного колена с фиксацией нижним хомутом.
3) Установка водозаборной арматуры для заполнения смывного бачка.
4) Подсоединение смывного бачка к коммуникациям холодного водоснабжения.
*Проверяется работа системы путем проворота крана отверткой и пробного слива в ведро.
5) Подключение металлизированных гибких коммуникаций.
6) Установка полимерной заглушки люка ревизии.
7) Крепление шпилек для монтажа подвесного унитаза.
После навешивания сантехники инсталляция готова к использованию. В некоторых системах может потребоваться подведение электросети, что должны выполнять квалифицированные мастера.
Преимущества системы инсталляции Grohe
- Инсталляционная система «Grohe» требует меньше пространства и улучшает эстетику санузла.
- Подвесной унитаз выдерживает большую нагрузку (до 400 кг), может устанавливаться на удобную высоту, отличается пониженным шумом и облегчает уборку помещения.
- Скрытый монтаж обладает высокой защитой от протечек, обеспечивает быстрый доступ для обслуживания.
- Оборудование рассчитано на продолжительную эксплуатацию независимо от нагрузки и условий водоснабжения.
- Оперативная доставка в любой российский регион и по СНГ
- Удобные формы оплаты: наличный, безналичный расчет, НДС
- Предоставление документации и гарантийных обязательств
Новости
Все новости
29 декабря 2025
График работы на новый год 2026
27 ноября 2025
Акция АКВАФОР
25 июня 2025
Мат электрический IQ LAMINATE




























































































































































































































































































































































